| Sign In | Join Free | My spintoband.com |
|
Brand Name : Gold
Model Number : JQX-2
Place of Origin : Chongqing, China
MOQ : 1 set
Price : Negotiated
Payment Terms : L/C, D/A, D/P, T/T, Western Union, MoneyGram
Supply Ability : 1 set per 5 days
Delivery Time : 5-8 working days
Packaging Details : Carton
Product Name : Digital Inclinometer
Application : well, borehole, underground
Probe down-hole length : ≤1000m
Working temperature : 0~85°C
Power : Electronic
Probe weight : 2kg
Probe outline dimension : 42*980mm
Display screen : 240*95*140mm
Borehole Inclinometer for Azimuth and Vertex Angel Measurement
JQX borehole inclinometer can offer the accurate azimuth and vertex angel of the borehole. Application of high accuracy electric sensor improves markedly the liability of this instrument, which is substantially distinguished from the conventional test of azimuth and vertex angels.
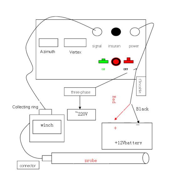
This borehole inclinometer is composed of downhole probes, cables, uphole receptor, and power supply with AC220V or DC. If the length is less than 100 meters, supplies with the DC12V; if not, then you must use the DC24V (or concatenate two DC12V together).
Features:
1. measurement point by point
2. digital output
3. simple, reliable axial-orientation system
4. high precision vertex angle and azimuth measurement
Technical Specification:
| Vertex coverage | 0~60° |
| Vertex accuracy | Less than 0.1° |
| Azimuth coverage | 0~360° |
| Azimuth accuracy | ±4° (Vertex ≥ 3°), ±6° (2° ≤ Vertex ≤ 3°) |
| Working temperature | 0~85° |
| Probe outline dimension | φ42×1000 mm |
| Ground instrument dimension | 240*95*140mm |
| Probe weight | 2kg(weighing bar 5kg) |
| Probe down-hole length | ≤1000m |
Product Image




|
|
Reliable Electronic Borehole Inclinometer For Azimuth And Vertex Angel Images |